深圳市泓之发机电股份有限公司

专业从事BYJ步进马达、PM步进马达、振动马达、减速马达、声波马达的研发、生产和销售为一体的国家高新技术企业
服务热线:0755-81459955
您的位置: 首页 -> 减速马达 -> 10GP行星减速电机

应用领域:智能家居、网络摄像头、户外球机、空调、空气净化器、车载支架、智能云台、智能马桶、智能门锁、安防监控、机器人及医疗器械等领域。

应用领域:POS机、微型打印机、咕咕机、 照片打印机、光学镜头、升降机构、医疗设备等领域。

应用领域:智能手机、平板电脑、智能穿戴、新型电子烟、美容仪器、按摩仪器等。

应用领域:电动牙刷、美容保健仪器、按摩仪器 等领域。

应用领域:医疗设备、智能门锁、光学镜头、智能家居等领域。

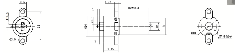
10GP行星减速电机

Diameter 10 planetary gear motor (plastic material) 应用范围:智能家居、电动玩具、手机支架、电子烟、充电宝 Typic Applications: Smart home、Motor toy、Mobile phone holder、 Electronic cigarette、Power bank